What are features of KLD SLO30 tube guitar amp
The KLD SLO30 amp kits is based on Soldano SLO-30 (Super Lead Overdrive 30), which s a harmonically rich character and modern high-gain electric guitar amplification. PCB version let it easy assembly. Independ tube socket make it more faith.
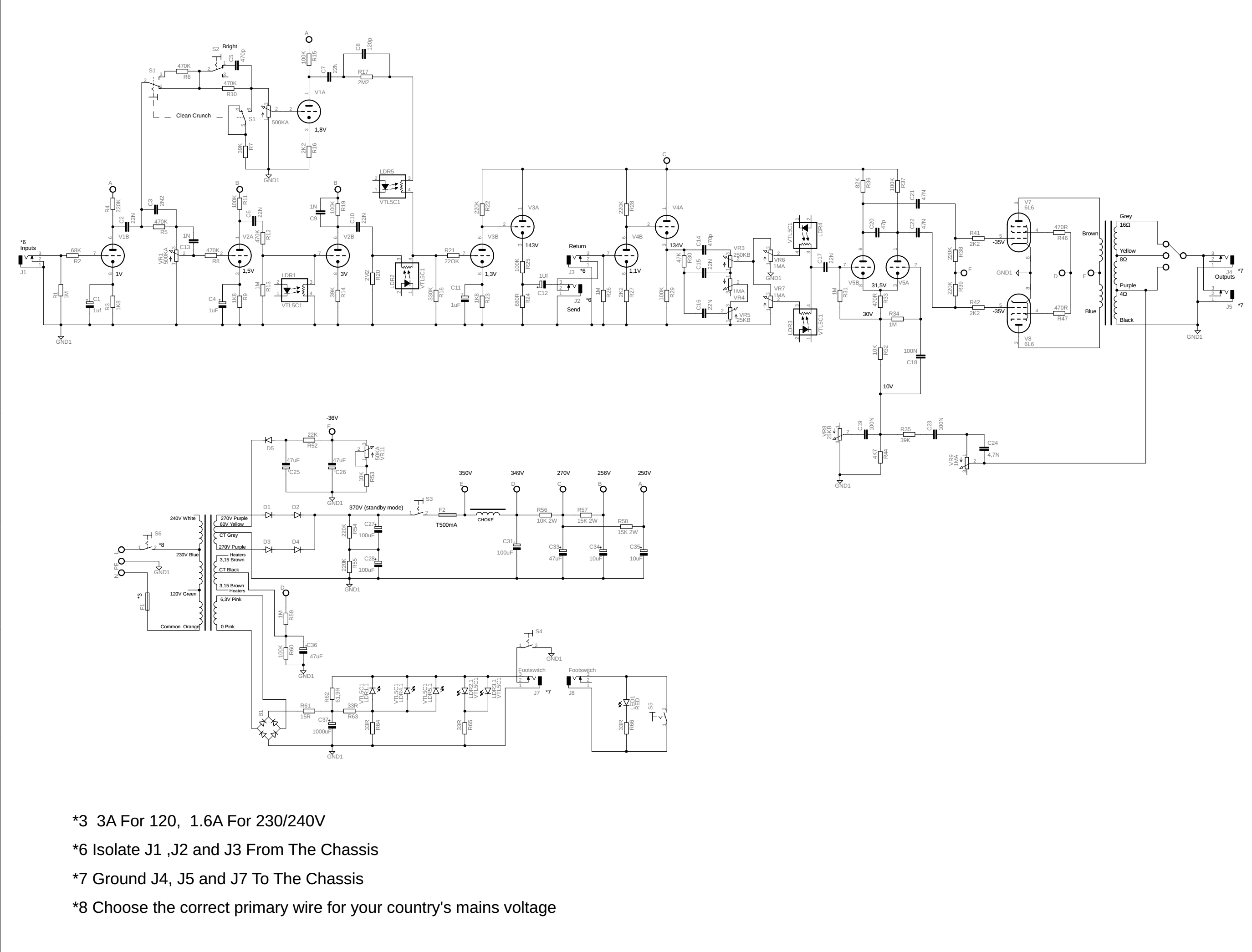
KLD SLO30 schematic
Schematic of SLO30
Preamp Circuit and Channel Design
The SLO-30 preamp uses four 12AX7 tubes and consists of two channels: Normal (Clean/Crunch)and Overdrive (Lead), which can be switched using S1. Both channels share a common tone stack (EQ: Treble, Middle, Bass) but have independent preamp gain and master volume controls.
The Clean channel has two amplification stages:V1A and V1B. The guitar signal first enters V1A (one triode of the first 12AX7), which provides the initial clean gain and tone shaping, then passes through V1B, serving as the second gain stage. The Bright switch on the Clean channel input adds more high frequencies for a clearer, more sparkling tone. There is also a Crunch mode in the Clean channel, which engages an additional gain stage for increased drive and dynamic response.
In comparison, the Lead channel adds two more gain stages (from V2A and V2B and extra clipping for higher distortion. There are three gain stages in the Lead channel before the tone stack. This cascaded gain structure is the heart of the SLO-30 signature sound : smooth, saturated, and harmonically rich distortion.
The "cold clipper" stage: the third gain stageV3B operates with a large cathode resistor R14 ( 39k), creating asymmetric clipping and producing the tight, biting Soldano overdrive.
High plate voltages (350V)on the preamp stages contribute to increased headroom and punch. Strong filtering in the power supply provides a very tight low end, while DC heaters for the preamp tubes minimize hum and noise throughout the amplifier.
Tone Stack
The tone stack of SLO 30 is typical Fender/Marshall-type passive tone stack located before the main gain stages(VR6,VR&), driven by high voltage follower V4A Cathode follower (from 12AX7) drives the tone stack this adds a robust, dynamic feel. The tone stack placement after high-gain stages gives strong control over a harmonically dense signal.
The Treble cap C14 is 470 pF, Treble controller is VR3 B250K, Slope resistor R30 is 47 K. The Bass cap C15 is 22nf(223) , bass contoller is VR4 A1M . Mid cap is C16 22 nf(223) , Mid contoller VR5 B25K.
Phase Inverter (PI)
The LTP of SLO 30 use 12AX7, with higher headroom like JCM 25 and Bassman 25.
Around 470K grid leaks and 10 K tail resistor, allow symmetrical drive to power tubes.
There is slight negative feedback from 4 ohm speaker out of output transformer, providing balance and stability.The level of feedback class is controlled by Presence VR8 and Depth VR9 .

Power Amp
SLO power tube amp uses two 6L6GC tubes ( which is fixed bias) working in Class AB statment for 30 W output. Its bias is set for clean and punchy response

Effects Loop
The SLO30 uses V3A and V4B as tube-buffered send and return stages in its serial effects loop. The design is optimized for line-level pedals or rack gear, maintaining proper impedance and preventing tone loss. This feature gives the SLO30 one of the most transparent and best-sounding tube effects loops found in any amplifier.
Tonal Characteristics (Result of the Circuit)
  • Extremely tight low end singing lead sustain, and clear note separation even under heavy gain.
  • Smooth compression from the cascaded gain stages and cold clipper.
  • Fast pick attack, less sag than Marshall or Fender circuits.
  • Modern high-gain voice, but with vintage tube feel.